Zhejiang Sehnaider Electric Co., Ltd.
Zhejiang Sehnaider Electric Co., Ltd.
Produtos
BH-0.66-60 Transformadores de corrente
  • BH-0.66-60 Transformadores de correnteBH-0.66-60 Transformadores de corrente

BH-0.66-60 Transformadores de corrente

Os transformadores de corrente BH -0.66-60 adotam chamas de PC - material retardante, e o material condutor magnético é um núcleo toroidal recozido para garantir a precisão do produto nos níveis 0,2 e 0,5. Para níveis ultra - de alta precisão, como 0,2s e 0,5s, apenas ímãs supercondutores podem atender a esses requisitos de precisão.

Os transformadores de corrente BH-0.66-60 são aplicáveis a sistemas de energia com uma frequência nominal de 50Hz e uma tensão nominal de 0,66kv, 0,69kv, 0,5kV e abaixo para medição de energia elétrica, medição de corrente e proteção contra relés.


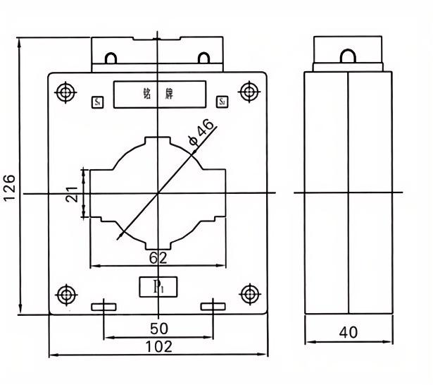
Este transformador atual de Dahu é para uso interno, instalado para armários e caixas de distribuição interna. Possui um novo design de circuito magnético, métodos de remuneração avançada, técnicas de processamento requintado, desempenho seguro e confiável e uma aparência pequena e bonita.


A concha externa é feita de chama de alta resistência - PC retardante com uma estrutura totalmente fechada e uma classificação retardante de chamas de V1. O núcleo interno é feito de folhas de aço de silício orientadas a grãos de alta qualidade. O diâmetro do fio é estritamente selecionado de acordo com a densidade da corrente econômica para garantir um aumento de menor temperatura. Com equipamentos de teste avançados e confiáveis, ele garante a conformidade com os padrões de qualidade.


Possui tipos de orifícios quadrados e redondos, adequados para a penetração de cabo de raiz única ou múltipla - ou a penetração de barramento de raiz única. Possui uma série completa de produtos, uma ampla variedade de especificações e uma ampla faixa de aplicativos.


Aplicações

Monitoramento e medição de energia

Proteção ao circuito e coordenação de relé

Automação industrial e sistemas de grade inteligente

Especificações técnicas

Tensão nominal: 0,66kv

Frequência: 50/60Hz

Classe de precisão: 0,5, 1,0 (personalizável)

Nível de isolamento: 3kV/min


Principais parâmetros técnicos

Primário classificado
atual (a)
Precisão
classes
combinação
Saída secundária nominal (VA) Corrente térmica 1S (KA) Corrente dinâmica nominal (KA)
0,2 (s) 0.2 0.5 10p10
5-40 0.2/10p10
0,5/10p10
/ 10 10 15 90lin 220lin
5-40 100lin 250lin
5-40 20 50
5-40
5-40 36 90
10
5-40 45 100
5-40 56 100
5-40
5-40 80 110
5-40 100 110


Hot Tags: BH-0.66-60 Transformadores de corrente
Enviar consulta
Informações de contato
Se você tiver alguma pergunta sobre a cotação ou cooperação, sinta -se à vontade para nos enviar um e -mail para river@dahuelec.com ou usar o seguinte formulário de consulta. Nosso representante de vendas entrará em contato com você dentro de 24 horas. Obrigado pelo seu interesse em nossos produtos.
X
We use cookies to offer you a better browsing experience, analyze site traffic and personalize content. By using this site, you agree to our use of cookies. Privacy Policy
Reject Accept